
一、产品简介
本电极是测量水体导电能力的电极,其测量原理是将固定面积和距离的两电极放置于待测液体中,存极板两端施加一恒定电压(为避免极化效应,一般为正弦波电压),在电场的作用下,溶液中的离子产生一定方向的移动,然后测量极板间通过的电流,从而通过计算得到待测液体的电导率。
适用于各种水处理、水产养殖、环境监测等行业的实时监测。
二、产品特点
1.RS-485传输接口,MODBUS-RTU通讯协议,双向通讯。
2.电源及输出隔离设计,确保电气安全性。
3.内建保护电路,增强抗干扰能力,以适应复杂的环境。
4.通信协议简单易用,能够输出更多电极诊断信息,更为智能化。
5.低功耗的设计以应对更多的使用场合,内部存储器在断电情况下能够保存校准及设置信息。
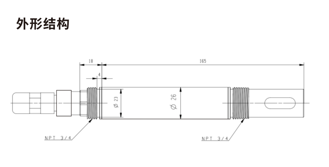
6.PC壳体,耐腐蚀能力强,3/4前后螺纹,方便安装。
7.采用同轴结构设计,对干电极常数的变化、机械损坏或温度影响具有出色的耐受性能。
8.选用316L为液接材料,更好地提高了测量准确性。
9.内置温度传感器,具有水温自动补偿功能。
三、技术参数
项目 | 详细参数 |
工作原理 | 二电极/四电极石墨电极法 |
测量变量 | 电导率、电阻率、TDS、盐度 |
测量范围 | 0~20 mS/cm、0~200 mS/cm |
测量精度 | ≤±1% |
响应时间 | ≤15s |
温度元件 | NTC10K |
温度范围 | 0~60℃ |
温度精度 | ≤±0.3℃ |
工作环境 | 0~60℃、5bar |
电源要求 | 12~24VDC,标配5⽶屏蔽电缆,长度支持定制 |
功率 | 0.5W |
数据传输 | RS-485 MODBUS-RTU通讯协议 |
防水等级 | IP68 |
主要材料 | ⽯墨、环氧树脂、ABS、304不锈钢 |
安装方式 | 流通槽安装、管道安装、沉⼊式安装 |




客服1